5~50GHz 90deg Hybrid Coupler
Part Number: KHC90-0505002.4F
Electrical Specifications (TA = 25℃)
Parameter | Min | Typical | Max | Units |
Frequency range | 5 | - | 50 | GHz |
Insertion Loss | - | - | 2.8 | dB |
Phase Balance | - | - | ±10 | dB |
Amplitude Balance | - | - | ±1.4 | dB |
Isolation | 11 | - |
| dB |
VSWR | - | - | 2.1 | - |
Power |
|
| 5 | W cw |
Operating Temperature | -40 | - | 85 | ˚C |
Impedance | - | 50 | - | Ω |
Connector | 2.4mm-Female | |||
Remarks:
1.Not include Theoretical loss 3dB
2.Power rating is for load VSWR better than 1.20:1
Environmental Specifications | |
Operational Temperature | -40ºC~+85ºC |
Storage Temperature | -50ºC~+105ºC |
Altitude | 30,000 ft. (Epoxy Sealed Controlled environment) |
60,000 ft. 1.0psi min (Hermetically Sealed Un-controlled environment) (Optional) | |
Vibration | 25gRMS (15 degrees 2KHz) endurance, 1 hour per axis |
Humidity | 100% RH at 35ºc, 95%RH at 40ºc |
Shock | 20G for 11msec half sine wave,3 axis both directions |
Mechanical Specifications | |
Housing | Aluminum |
Connector | Passivated or stainless steel |
Weigh | 0.1kg |
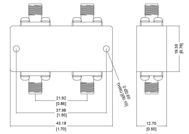
All Dimensions in mm
Outline Tolerances ± 0.5(0.02)
Mounting Holes Tolerances ±0.2(0.008)
All Connectors: 2.4-Female
